首页
>
关于我们
>
新闻资讯
>
产品展示
>
下载中心
>
在线留言
>
联系我们
>
客服热线:13540687770
产品展示
Product display
成都天屹测控技术有限公司专注于现场信号感知、变换、隔离、采集、传输与系统集成等相关技术及产品的研发、销售与服务
电量传感器
电测仪表
多功能智能电能表
数显控制仪表/无纸记录仪/过程校验仪
信号隔离器/安全栅
压力变送器/差压变送器
温度传感器
流量计/液位计
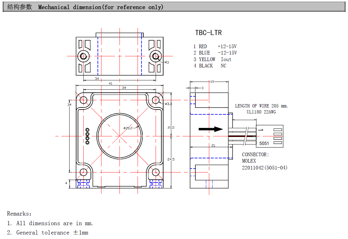
南京托肯TBC-LTR霍尔电流传感器/闭环型
来源:成都天屹测控技术有限公司
发布时间:2017-3-24
产品型号:
TBC-LTR
输入规格:100A、200A、300A
输出规格:50mA、100mA、100mA
辅助电源:±12V~±18V
孔径大小:直径20.2mm
安装方式:螺钉固定式安装
订购热线:
028-87032209
详细说明
阅读全文
上一篇:
南京托肯TBC-LTP霍尔电流传感器/闭环型
下一篇:
南京托肯TBC-LXA霍尔电流传感器/闭环型/PCB安装
成都天屹测控技术有限公司 版权所有
网站制作与策划:
成都市万企科技